

随着工厂生产自动化水平的提高,电子设备的大量应用,供电电缆的用量也越来越多。大量电缆集中在一起,火灾事故的发生几率也相应增加。目前在建和运行中的供电系统大多采用电缆,电缆防火问题尤为突出。另地缆沟可能由于下雨积水或者电缆排水系统有堵塞等现象而导致电缆沟水位上升,就会造成电缆长期浸泡在水中、不断腐蚀,不仅会破坏绝缘性,还会导致电缆进水而引起爆裂。在开关柜或地缆沟中,火警烟雾状态和水量是表征设备运行是否正常的一个重要参数。如果不加以监控,对设备的运行造成很大的安全隐患。若能及时预知事故、提早发出事故预警并及时采取措施,可防止事故的发生,从而将事故损失降至最低。在此背景下,我公司开发一款地缆沟综合预警传感器,支持多种供电方式,采集的水位或水浸、烟雾、环境温湿度状态的实时数据通过无线发送到后台,用户可通过查看终端和后台系统了解地缆沟或者开关柜当前环境状况,免去了人工巡检和后期维护。
随着工厂生产自动化水平的提高,电子设备的大量应用,供电电缆的用量也越来越多。大量电缆集中在一起,火灾事故的发生几率也相应增加。目前在建和运行中的供电系统大多采用电缆,电缆防火问题尤为突出。另地缆沟可能由于下雨积水或者电缆排水系统有堵塞等现象而导致电缆沟水位上升,就会造成电缆长期浸泡在水中、不断腐蚀,不仅会破坏绝缘性,还会导致电缆进水而引起爆裂。在开关柜或地缆沟中,火警烟雾状态和水量是表征设备运行是否正常的一个重要参数。如果不加以监控,对设备的运行造成很大的安全隐患。若能及时预知事故、提早发出事故预警并及时采取措施,可防止事故的发生,从而将事故损失降至最低。在此背景下,我公司开发一款地缆沟综合预警传感器,支持多种供电方式,采集的水位或水浸、烟雾、环境温湿度状态的实时数据通过无线发送到后台,用户可通过查看终端和后台系统了解地缆沟或者开关柜当前环境状况,免去了人工巡检和后期维护。
随着工厂生产自动化水平的提高,电子设备的大量应用,供电电缆的用量也越来越多。大量电缆集中在一起,火灾事故的发生几率也相应增加。目前在建和运行中的供电系统大多采用电缆,电缆防火问题尤为突出。另地缆沟可能由于下雨积水或者电缆排水系统有堵塞等现象而导致电缆沟水位上升,就会造成电缆长期浸泡在水中、不断腐蚀,不仅会破坏绝缘性,还会导致电缆进水而引起爆裂。在开关柜或地缆沟中,火警烟雾状态和水量是表征设备运行是否正常的一个重要参数。如果不加以监控,对设备的运行造成很大的安全隐患。若能及时预知事故、提早发出事故预警并及时采取措施,可防止事故的发生,从而将事故损失降至最低。在此背景下,我公司开发一款地缆沟综合预警传感器,支持多种供电方式,采集的水位或水浸、烟雾、环境温湿度状态的实时数据通过无线发送到后台,用户可通过查看终端和后台系统了解地缆沟或者开关柜当前环境状况,免去了人工巡检和后期维护。
主要用在开关柜、地缆沟等易发生火灾和浸水的地点。
数据无线发送;
免去人工巡检;
抗干扰性强;
支持多种供电方式;
支持水位或水浸、烟雾、环境温湿度监测;
支持无线自组网;
支持多种工作频段。
工作环境 | -40℃~85℃ ,≤95%RH |
供电方式 | 1. AC 220V±10%; 2. 电池供电3.6V。 (任选其一,订货前需要确认) |
测量范围 | -40℃ ~ 85℃(环境温度) |
10%RH ~ 90%RH(环境湿度) | |
0 ~ 2m,可选规格有1m,3m,4m,5m,6m,7m,8m,9m,10m (水位,选配) | |
测量精度 | ±1.0℃(环境温度) |
±4%RH(<80%RH)、±8%RH(≥80%RH)(环境湿度) | |
2%FS(水位,选配) | |
2.0 ±1%ft Nominal (0.5%ft-4%ft UL Requirement) 此灵敏度值根据样品在 UL 灵敏度测试设备中测试得到,仅供参考(烟感,选配) | |
水位线长 | 5m(选配) |
水浸线长 | 1m,可选规格有2m,4m, 6m, 8m(选配) |
发包间隔 | 60秒 |
工作频段 | 433MHz或2.4GHz 符合《Q/GDW 12020-2019 输变电设备物联网微功率无线网通信协议》,订货前需要确认 |
发射功率 | 10dBm |
通讯方式 | 支持无线自组网(电池供电不支持) |
传输距离 | ≤250m(空旷) |
防护等级 | IP20 |
阻燃等级 | V-0 |
安装方式 | 捆绑式或螺丝式 |
使用寿命 | 3年 |
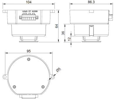
1. 外形尺寸(单位:mm,公差:±1%):

2. 产品安装
2.1. 安装位置:地缆沟和开关柜单相电缆;
2.2. 传感器接线方式:

地址:中国浙江省杭州市拱墅区祥园路30号
邮箱:376418649@qq.com