

应急管理部数据显示:2018年共发生23.7万起火灾,致1407人死亡、798人受伤,其中电气火灾占比达34.17%,在67起较大火灾中占37起,4起重大火灾中占3起,成为首要致灾因素。事故根源在于监测缺失、运维疏漏、治理不足、应对滞后。对此,泽沃电子研发智能感知装置,构建"感知层-交互层-云服务"三维体系,打造配电安全监管智慧平台。该平台通过精准数据采集实现电气隐患早期预警,将风险消除在萌芽阶段,同时提供用电质量分析、设备全生命周期管理、节能优化等服务,创新消防管理模式,助力企业提升用电效率、降低运维成本,为电气火灾防控提供智能化解决方案。
应急管理部数据显示:2018年共发生23.7万起火灾,致1407人死亡、798人受伤,其中电气火灾占比达34.17%,在67起较大火灾中占37起,4起重大火灾中占3起,成为首要致灾因素。事故根源在于监测缺失、运维疏漏、治理不足、应对滞后。对此,泽沃电子研发智能感知装置,构建"感知层-交互层-云服务"三维体系,打造配电安全监管智慧平台。该平台通过精准数据采集实现电气隐患早期预警,将风险消除在萌芽阶段,同时提供用电质量分析、设备全生命周期管理、节能优化等服务,创新消防管理模式,助力企业提升用电效率、降低运维成本,为电气火灾防控提供智能化解决方案。
泽沃电子配电安全隐患监管及消灾智慧平台,系通过物联网技术,基于智能 感知装置,对电气运行状况,尤其是可能引发火灾的主要现象,如导线温度、电 弧、电流突变、电压暂降/暂升、漏电电流、谐波、负载不平衡等,进行实时精 准数据采集与统计分析,及时显现电气线路和用电设备存在的安全隐患(如线缆 过载、温度异常、电弧故障、短路故障、漏电故障、电气设备用电异常等),快 速预警,准确推送解决预案,及时消除用电安全隐患,减少严重故障发生概率, 缩短故障处理时间,提高用电可靠性。在极端火灾发生时,自动切断电源并启动 智能灭火装置,将火灾消灭在“早”、“小”阶段,降低损失,增加人员和设备安 全性,降低维修成本。

● 移动互联网+用电安全+用电设备全生命周期管理的典型应用,实现 “监测、预警、控制、治理、阻灾”全过程智能化服务
● 电气隐患的及时诊断和显现,监控隐患发展趋势,将灾害消灭在“早”、 “小”阶段
● 有效监测电气短路、用电过载、电弧火花、漏电过热等火灾重点成因, 及时提出排查方案,防患未然
● 全面监测用电质量,防止谐波、无功、三相不平衡等污染超标,为用电 设备构筑安全电能环境,提高设备使用寿命,降低运维成本
● 精准记录用电设备能耗状况,精细分析用电设备使用效率,实现用电设 备全生命周期智能运维管理
● 以智能自动灭火装置,在极端火灾发生时快速自动灭火,为电气火灾筑 起第一道坚强盾牌,为确保人们生命及设备安全争取宝贵时间

平台采取混合架构,灵活配置,为各类工矿企业、事业单位、学校园区等提 供服务。平台主要构成包括:
● 安全隐患监管及消灾智慧软件
● 智能配电箱
● 综合智能感知终端
● 分布式智能感知终端
● 智能物联网网关
● 智能火灾监测及灭火终端
智慧平台配置必要的硬件和软件,提供系统运行所需的基础服务和应用服务。 应用软件采集各站点数据,实现运行监测、综合监控、用电安全、能耗管理和运 维管理等功能。应用软件支持 WEB 端、移动APP 端、大屏幕等多种展示形态。

● 电 子 地 图

结合电子地图显示配电房的分布情况,并汇总配电房数量、变压器累计容量、
累计运行容量等信息,点击图标可跳转至相关配电房详细信息。
●可视化看板
通过可视化方式呈现电气设备当前的运行概览。
包括负荷趋势,设备统计,运行统计,当前缺陷,负荷和电量排行等。可根 据用户要求定制可视化看板的内容。

●站点看板
显示某个站点的基本信息电压等级、变压器台数、装机容量、运行容量)、 运行状态(功率、环境温湿度等)、事件信息(遥信事件、遥测事件)、当日用能 情况(逐时用能趋势、环比用能情况)。
平台的自定义看板功能允许为不同的站点设计不同的看板。

●一次接线图
采用最新的HTML5图形技术,在浏览器上实现传统电力监控组态软件的监控 效果,支持浏览器在线组态,用户可通过浏览器随时查看实时动态画面。
尤其适用于站房实时监测,可实时监视配电网络各回路的电压、电流、功率 等数据。

● 历史曲线
查询设备的历史运行曲线,可按 日、月、年或自定义时段查询,了解设备运 行情况。

● 告 警
(1)报警概览
故障报警管理主要实现对站房设备运行故障的监视功能,实现即时告警,精 确定位。通过故障管理功能,用户可对告警进行实时的监控,系统提供了故障智 能诊断功能,以提高故障发现、故障处理的效率,减小故障造成的影响,更加有 效的保障安全运行;综合用电管理平台为用户提供了告警的实时监控浏览与查询。

(2)报警规则
遥测量告警:选择需配置的配电回路及该配电回路所需报警的变量类型,可 配置配电系统遥测量的实时善警规则,以及配置各报警类型的报警值,报警级别, 报警信息。
遥信量报警:配置开关量的报警规则,可以是分断报警或是闭合报警,也可 设置变位报警。

(3)报警推送规则
告警可设定等级,可分组/分区。不同的告警可设定通知给不同的用户。告 警通知支持实时短信、APP通知等方式。当平台采集到告警信息后,根据所设置 的告警通知规则,将告警信息发送到相关运维人员的手机里,从而使得运维管理 人员在第一时间内了解运行状态、获知故障信息,并及时地处理故障。

● 视频监控
提供实时视频监控、视频巡检、远程云台控制等功能。

现场发生停电、过流、短路跳闸、电压暂升/暂降等电能质量事件时,在平 台软件中可召唤装置中的故障录波曲线进行故障分析。


●谐波报表
查询各监测点各次谐波的统计信息,包括最大值、平均值、95%概率大值。 可选择查询时间按日、按月,可选择显示格式为图形方式或者表格方式。

● 电能质量实时监测
查询显示各回路的电能质量实付监测信息,包括功率因数、三相不平衡、电 压谐波、电流谐波畸变率、负载率等。以雷达图、环形图给出电能质量综合评分。

● 电能质量评估报告
给出所有回路的各项电能质量指标的评估报表。

● 能源看板
系统内置大量组件,支持电量电费、用能占比、设备状态等组件,用户可 通过添加组件快速定义专属的能源看板。


● 能 耗 统 计
分类、分项、分区域、分部门统计用能信息,通过图形化的方式直观呈现一 段时期内的用能情况,包括用量、趋势、健比、排名等。帮助企业分析出能耗最 高的区域、部门等,以便企业有针对性地采取节能措施。


●用能分析
(1)用能报表
从分类、分项、分区域、分部门等多个维度,按小时/天/月查询能源使用报 表,不同粒度展示能源的使用情况和变化趋势。变持报表导出成 Excel 表格。

(2)同比分析
从分类、分项、分区域、分部门等多个维度,对用能情况进行同比分析,直 观展现用能的同比变化情况。
● 电费分析
(1)电费报告
支持电网公司计费方式,每个月自动生成站点的电费报告,分析各项电费占 比及用电合理性。
(2)能源费用优化
报容报需:通过可视化的曲线图,实时掌握最大需量值,分析用户按容电与 按需电费的对比,通过平台分析,智能推荐用户哪种电费报装更经济,节省电费。
优化电费:实时采集计算用户月度平均功率因数,设定阀值,智能提醒用户 及时处理,避免罚款。
通过综合用电管理平台实现运维的全过程记泉与管理,实现数据、任务的自 动流转,实现运维的标准化和高效。
● 故障报修
运维人员接到电话报修或其它服务人员通过PC 端报修,将报修的相关信息 录入到平台中,并可依据不成的权限进行后续的报修派工调度工作。所有运维过 程通过APP记录(支持拍照),并在管理系统中可以查看。
● 巡检(安全检查)
通过系统编制巡检计划,经审核后生成巡检任务推送到巡检人员的手机上, 巡检人员执行巡检任务并登记巡检内容。 APP内置各类设备的巡检检查项,巡检 人员可以直接在APP 上记录每项检查结果。APP 自动对巡检结果做评估,给出总 体打分评价。实现配电安全运行的指标化。

巡检计划
●测试/抢修等任务管理
系统创建任务单,运维工可通过APP 接收任务。任务执行全过程可通过APP 在线记录。可有效保证操作的规范性执行和事后的管理监督。

●设备台账
设备的内部标识、名称、类型、厂商等基本信息;配置变电站、配电柜、设 备、采集设备之间的一一对应关系。管理分类、用途分类、安装位置、购买时间、 终止使用时间、保养周期等。
●设备故障和维修记录管理。
对设备的所有相关告警、故障信息以及维修记录做全面记录,可通过扫描设 备二维码随时查询。

每月为用户提供专业的变电站运行报告:内容包括线路安全数据、用电分析、 电能质量评估分析、运维统许、设备状态统计分析等部分。

●站点信息总览
通过APP可直观看到变电站的运行状态、通讯状态和概要信息。有问题的站 点会通过醒目的方式提醒运维人员。通过APP 的站点看板,运维人员可以看到变 电站的主要运行数据和负荷运行趋势。
●站点实时运行数据
可以查看设备的所有实时运行数据,模拟量和状态量分类显示,更新周期达 到秒级。
● 告 警
各类告警信息同时通过APP消息推送和短信发送给运维人员。所有的告警信 息都会永久记录,随时可查。


高低压一次接线图
APP 上可查看变电站一次系统图,采用 H5 矢量图方式,画面数据实时更新。每个变电站最多可支持 128 个画面,同时支持自动根据画面布局切换手机横竖屏。

历史数据
APP 可按照线路、类型查询任意时段的历史数据,支持同类数据对比查看。

●设备信息管理
APP 可查询到变电站所有设备的祥细信息。
●变电站电子档案管理
APP 可查询到变电站的各类电子档案,如图纸、测试报告、检测报告、巡检 报告、检修记录等等。信息分类存储,可在线查看。

●安全评测
APP 内置各类电气设备的安全检查项,运维人员在巡检时可按APP 上的检查 项进行巡检,并记录检查结果,APP 会自动给出安全评估指标,并给出改进建议。
●运营报告
APP 上每月会自动生成变电站的运行报告,内容可包含用电情况概览,设备 告警记录、运维记录、运行报表等内容。

●在线运维
运维工可以通过APR接收运维任务,同时在现场运维过程中也可以通过APP 记录运维过程。所有的运维任何和记录都永久保存,随时可追溯。

通过APP可查看变电站能效分类分项汇总统计数据。

泽沃电子的智能电安配电箱是使传统配电箱成为智能化安全用电的重要节 点。泽沃电子的智能电气用能及安全信息感知装置、智能检测和灭火装置均内置 在智能配电箱中,形成整体解决方案,适合在各类新建项目、改造项目中安装, 方便日常运维管理。
智能配电箱可以根据实际需要及站房的有效空间灵活设计大小,面板可以配 置就地显示屏,方便信息的就地查看。
配电箱是智能用电管理平台与现场信息的信息枢纽,为用电智能化、安全化、 高效化提供了基础。

● 与可控开关配合形成整体解决方案;
● 可以实时检测总电路和分电路各用电状况;
● 可 配就地大屏幕显示各用电回路电气参数、用电参数、故障报警、控制 动作记录等实时信息;
● 结构大小可根据个性化需求灵活配置,安装方便;
●远程监控,链接智慧用电服务云平台/手机APP;
● 无论新建或改造项目都适用。
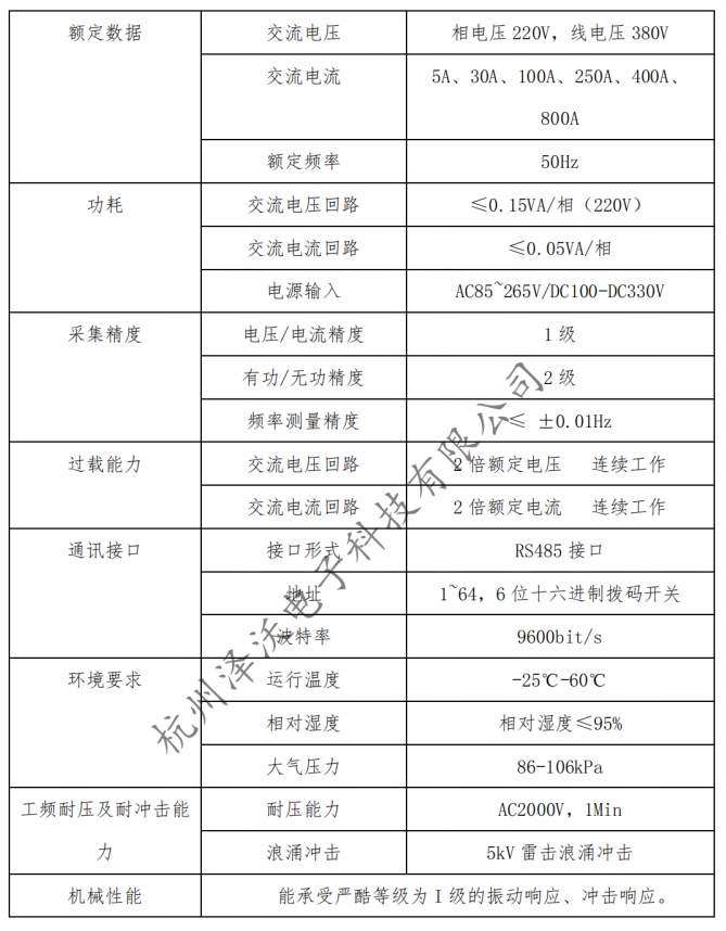
泽沃电子开发出系列化分布组合式智能用电感知终端(图1-1)和综合感知 终端(图1-2)。这是新一代物联网用电数据采集设备,产品适用于中、低压电力 配电系统中单回路、多回路数据采集场景。产品可对常规电力设备单/三相电压、 电流、功率实时监测与控制,同时还具备电能质量监测(电压跌落、谐波等)、 电气安全监测(电缆温度、泄漏电流等)、故障监测(故障分析、故障录波、故 障告警)等功能。
产品测量全面的用电数据,并通过互联网网关上送到智慧管理平台。

●安装方便,无需停龟,不影响业主用户的供电;
● 模块化架构;可实现单、多回路交流量采集自由组合,在多回路采集时, 同柜内共享同一组电压、电源及通讯接线,极大简化接线工作量;
● 各种功能模块自由组合,功能扩展便利;。
● 提供常规监测功能,包括电压、电流、功率、电度信息;
● 提供扩展监测功能,包括谐波、电压暂降、故障录波、电气安全(回路 温度、漏电流监测)等相关功能;
● 无需开关辅助接点,智能区分短路脱扣与人工断电,智能识别开关状态。
● 综合终端自带物联网网关,分布组合式终端在站内采用RS485 有线通讯 方式与电力物联网关设备链接。同一箱/柜内的分布组合式感知终端通 过插接式总线连接,即可完成通信连接,同箱/柜的一组设备只需对外提 供一个RS485 接口,方便通信接线;
● 具备本地存储能力,可存储故障录波、SOE、谐波统计报表、历史数据能 力,可至少记录一周时长的历史数据,保障故障停电时数据不丢失;
● 除了温度越限、需量越限和谐波越限外,其它与电流、电压测量值相关 的告警和事件,装置都将同时产生电压、电流有效值和状态量录波,录 波长度为故障前10个周波,故障后10个周波。当HZ183探测到回路发 生电弧故障时,同时将启动瞬时值故障录波,录波长度为故障前3周波, 故障后2周波。
如图3-1所示,用电感知终端在安装到0.4kV 供电回路时电流信号采用开口 CT 接入,电压信号采用导电磁铁吸附方式。设备安装无需停电,确保用户用电的 持续性,更适合改造项目。
用电感知终端在安装到10kV 供电回路时电流信号采用开口 CT 卡接到电流 互感器的5A 输出;电压采样通过PT 100V 接入,也可以实现不停电施工作业。

泽沃电子的电力物联网网关是一款基于物联网架构设计的通信网关产品。产 品南向(向下)支持RS485/LoRa/HPLC 等通信接口,用于接入变电站当地其它 动态环境监测装置,如温湿度仪、水浸检测仪、门禁系统、智能消防设备等感知 设备。装置北向(向上)支持NB-IoT/WIFI/ 有线网络等通信接口,支持MQTT/CoAP 等物联网通信协议,上送数据到综合用电管理平台。
● 高可靠性:产品基手“等寿命”原则设计,各组成元件选用高可靠性器 件;产品软状设计具有完善的自检和容错机制,可适应物联网采集7*24 不间断运行;
● 支持丰富的物联网通信协议,北向支持 MQTT/CoAP 等物联网通信协议,
可接入主流的物联网平台,如阿里云物联网平台;
●数据缓存和断线续传,装置可缓存终端数据,当北向通信短时中断并恢 复后,可续传数据到物联网平台;
● 边缘计算功能,可就地完成复杂的数据统计分析运算。支持边缘计算功 能远程部署和管理;
● 施工便捷,产品采用AC220V 或 DC24V 供电,导轨式安装,施工便捷;
● 自组网,连接终端设备到网关后,网关可基于“自组网”技术实现设备 地址自动识别,无需用户设置物联网终端设备地址;
● 提供直流电源输出,提供DC24V 直流电源输出,可以为不少于10个终 端设备提供电源;
● 维护方便,提供便捷的智能移动终端维护软件,在调试过程中可以很方 便地查看数据、设置参数。
● 物联网平台通信
将智能感知设备通过南向通信接口连接,实现和智慧用电管理平台通信,通 信协议支持MQTT/CoAP。
南向通信接口支持接入的设备包括:
(1) 分布组合式智能感知终端;
(2) 支持MODBUS协议(也可以用好指定的其它协议)的任何第三方智能 感知设备和子系统。
北向通信接口支持的商业物联网平台:
(1) 阿里云物联网平台;
(2) 远景 EnOS2.0 平台;
(3)泽沃电子智慧用电管理平合。
● 数据缓存和断线续传
当北向通信发生短时中断时,网关本地缓存采集数据,通信恢复后自动上送 数据到物联网平台。
● 设备管理
终端设备连接到网关后,可通过“自组网”技术实现设备地址识别,并自动 形成子设备表。子设备表信息可通过MQTT Topic 上送物联网平台。
● 设备属性上报
支持物联网平台设备属性自动上报,自动上报的设备属性可包含传统电力 SCADA系统的遥测、遥信、遥脉。
● 遥 控
通过物联网平台设置设备属性实现遥控操作。
● 冻结数据
支持设备属性冻结值带时标上送。
● SOE
支持顺序事件记录主动上送。
● 统计报表
提供数据统计功能,可任意配置要统计的设备属性集合,实现就地统计计算 后上送统计结果到物联网平台。
● 故障录波
通过服务方式和物联网平台交互,实现故障录波列表和故障录波数据上送。
● 定值管理
通过服务方式提供定值上送和设置功能。
● 对时
和物联网平台同步对时,同时和所连接的设备同步对时。

泽沃电子提供的智能自动灭火装置是根据高低压电气箱、强弱电配电柜、风 机机舱、储能集装箱、电动汽车电池舱等场景内部环境特点,经过大量实验自主 研发的自动灭火装置,符合国家及行业标准,能有效检测和扑灭封闭或半封闭空 间初起火灾,达到安全用电,减少人民生命和财产损失的目的。
该装置是以热气溶胶为灭火介质,结合定制化”温湿烟”环境感知预警采集器 及灭火动作"触发"信号反馈为基础,并赋能增加装置灭火性能有效性监测,具备 预防灭火装置失效的"自检"功能,可结合灭火空间大小精确匹配不同剂量的灭火 装置。

智能火灾检测及灭火装置可以快速灭火,达到触发水平时可以在数秒内将火 扑灭。灭火后亚纳米颗粒随烟气排出不留痕迹,对电气设备和灭火空间无污染、 无损害、无腐蚀;对大气无毒,无公害;对人体无毒,无损伤。体积可以根据配 电箱大小灵活定制,重量轻,安装简便,快捷;且在产品有效期限内免检,是一种洁净的自动灭火产品。智能火灾检测及灭火装置同时具备智能化反馈机制, 及领先行业的有效性“自检”功能,为预防电气火灾及初期电气火灾的扑灭能力 夯实基础。智能装置有智能通讯接口,方便接入用电管理平台,实现智能化、精 细化、可视化的 一 体化管理功能。
智能火灾检测及灭火装置可实现自动灭火、“温湿烟”环境感知、灭火药剂 有效性“自检”,三大主要功能,实现预防和扑灭封闭或半封闭空间初起火灾。 该装置可以快速自动启动灭火,减少火灾损失,为人员设备争取宝贵的时间。该 设备与智能用电平台相结合,特别适用于高低压电气箱、强弱电配电柜等场景。

地址:中国浙江省杭州市拱墅区祥园路30号
邮箱:376418649@qq.com